Your One-Stop Solution For Cable & Wire Accessories!

RoHS Compliant Cable & Wire
Technical Information


Contact Us About Us  
 
LinkedIn Facebook Twitter You Tube Sealcon Blog
Cables & WiresEnclosures (Plastic & Metal)Pneumatic Components Liquid Tight Strain Relief FittingsCircular ConnectorsConduit System (Tubing, Fittings, etc.)Accessories & Adapters, Reducers, Enlargers
 
easyquote
*E-mail
*Name
*Company
*Phone
*State
*Zip Code
*Country
Please answer the security question:
3+2=
(*) Required Fields
Catalogs / Samples, Full Quote & Contact Information
303-699-1135
1-800-456-9012
dropdownbox

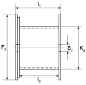
Capacity of KTG-Pool Drums

KTG-Pool Drum

Fd = Flange Ø
Kd = Drum Barrel Ø
Bd = Bore Ø
l1  = Overall Width
l2  = Width for windings


Wooden Drums (Standard)
Drum Code Numbers Drum Size Flange Ø
Fd in mm
Drum Barrel Ø
Kd in mm
Bore Ø
Bd in mm
Overall Width
l1 in mm
Width for windings
l2 in mm
Load Bearing Capacity max. kg Drum Weight
kg
051 05 500 150 56 470 410 100 8
061 06 630 315 56 415 315 250 17
071 07 710 355 80 520 400 250 25
081 08 800 400 80 520 400 400 31
091 09 900 450 80 690 560 750 47
101 10 1000 500 80 710 560 900 71
121 12 1250 630 80 890 670 1700 144
141 14 1400 710 80 890 670 2000 175
161 16/8 1600 800 80 1100 850 3000 280
181 18/10 1800 1000 100 1100 840 4000 380
201 20/12 2000 1250 100 1350 1045 5000 550
221 22/12 2240 1400 125 1450 1140 6000 710
250 25/14 2500 1400 125 1450 1140 7500 875
251 25/16 2500 1600 125 1450 1130 7500 900
281 28/18 2800 1800 140 1635 1280 10000 1175

Plastic Drums
Drum Code Numbers Flange Ø
Fd in mm
Drum Barrel Ø
Kd in mm
Overall Width
l1 in mm
Width for windings
l2 in mm
Load Bearing Capacity max. kg Drum Weight
kg
050 500 150 456 404 100 4
070 710 355 510 400 250 15
080 800 400 510 400 350 16
090 900 450 680 560 400 23
100 1000 500 704 560 500 32

One-way Wooden Drums
Drum Code Numbers Flange Ø
Fd in mm
Drum Barrel Ø
Kd in mm
Overall Width
l1 in mm
Width for windings
l2 in mm
Bore Ø
Bd in mm
Drum Weight
kg
HE 350 350 150 320 300 56 1.8
HE 400 400 150 320 300 56 2.1
HE 401 400 150 425 405 56 2.3
HE 501 500 150 320 300 56 3.0
HE 500 500 150 425 405 56 3.3
HE 600 600 150 425 405 56 4.5
HE 760 760 300 425 400 80 8.0
quote
Items For Quote

   
quote
box
Sealcon is the Exclusive Importer of HUMMEL products. We offer over 6,000 different Types and Sizes of RoHS Compliant Liquid Tight Strain Relief Fittings, Cord Grips, Cable Glands, Circular Connectors, Conduit System, Industrial Enclosures and Other Related Cable Management Products which are rated the best in the industry.
7374 S. Eagle Street
Centennial, CO 80112-4221 USA
Toll Free: 800-456-9012 / 303-699-1135 FAX: 303-680-5344
Valid XHTML 1.0 Transitional
To Top of Page Top of Page

Copyright © Sealcon All Rights Reserved
|Domestic & International Cables|Enclosures |Liquid Tight Strain Relief Fittings & Accessories|
|Circular Connectors|Conduit System|Pneumatics|Cable Index|Enclosure Index|Search|
|Media|Site Map|Company Overview|Contact|Privacy Policy|Copyright Notice|