Your One-Stop Solution For Cable & Wire Accessories!

Enclosures for Offshore Applications


Contact Us About Us  
 
LinkedIn Facebook Twitter Hi Tech Controls Blog google +
Cables & WiresEnclosures (Plastic & Metal)Pneumatic ComponentsLiquid Tight Strain Relief FittingsCircular ConnectorsConduit System (Tubing, Fittings, etc.)Accessories & Adapters, Reducers, Enlargers
 
easyquote
*E-mail
*Name
*Company
*Phone
*State
*Zip Code
*Country
Please answer the security question:
3+2=
(*) Required Fields
Catalogs / Samples, Full Quote & Contact Information
303-699-1135
1-800-456-9012
dropdownbox

Need Pricing? Please use the Get a Quote dropdown on the left

Enclosure Home Page|Enclosures for Offshore Applications|Enclosures w/ Metric Knockouts


KD 5350 - Enclosure Box for Offshore Applications w/ Metric Knockouts

KD 5350 - Enclosure Box for Offshore Applications
  Enlarge Picture

KD 5350 - Enclosure Box for Offshore Applications
Enlarge Picture

 

  • saltwater-proof
  • acid-resistant lid screws made of stainless steel
  • without terminals
  • burning behavior 960° C; UL Subject 94: 5 V
Approval mark vde DNV German Lloyd
degree of protection: IP 66 / IP 67
temporary submersion up to 1 meter, max. 15 minutes
mounting width 177 mm
mounting height 240 mm
material: Polycarbonate
max. installation depth 88 mm
color: black RAL 9011
cable entry cable/conduit entry via metric knockouts order ASS separately (refer to index LES)
in accordance with IEC 60,670-22
in accordance with Det Norske Veritas Certificate No. E-9693 Germanischer Lloyd Certificate No.: 12 941 - 11 HH Russian Maritime Register of Shipping, technical documentation is approved by the letter No. 250-011-2-39

Accessories Accessories
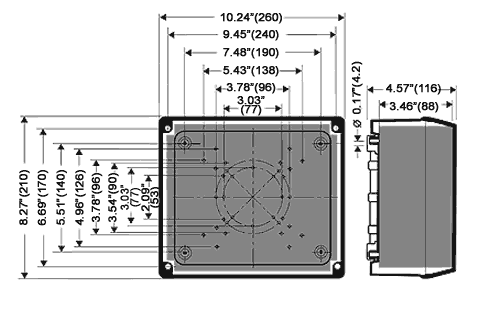
Detailed Dimensions Detailed Dimensions
Hole Configuration: Hole Configuration: Number of Holes & Sizes

KD5350 Features & Applications

High quality Thermoplastic PC 5 (Polycarbonate):
  • Impact Resistant
  • Halogen-free and Silicone-free
  • UV-resistant
  • Fire-resistant & Self-extinguishing
  • Low toxicity
  • IP 66 / IP 67
  • Color Black RAL 9011
  • RoHS Compliant
  • Cable entry via Metric knockouts

Application:
Suitable for use in offshore areas and for indoor/outdoor installation (normal to harsh environment) in accordance with DIN VDE 0100, Part 737.
Resistant to occasional cleaning procedures (direct jet) with high-pressure cleaner
without additives, water pressure: max. 65 bar, water temperature: max. 50° C, distance => 0.5
m, box and cable entries at least IP 65.

Our products are used in the following areas of application: 

  • Companies involved in the processing of metal, wood and paper, cement factories
  • Agricultural and food industries
  • Water treatment and sewage plants, power stations and cold-storage depots
  • Banks and insurance buildings
  • Leisure and commercial centers
  • Hotel and ciType NEMA complexes
  • Hospitals and clinics
  • Schools and universities
  • Stadiums and sports centers
  • Gas stations and traffic infrastructure in ports, underground stations, tunnel and road construction
  • Indoor and outdoor installations
quote
Items For Quote

   
quote
box
Enclosures for Offshore Applications
Thermoplastic Enclosures
w/ Smooth
Walls
w/ Metric Knockouts
KD 4020 KD 5020
KD 4040 KD 5040
KD 4060 KD 5060
KD 4100 KD 5100
KD 4120 KD 5120
KD 4250 KD 5250
KD 4350 KD 5350

Thermoplastic Enclosures
w/ Metric Knockouts & Terminals
KD 5025
KD 5045
KD 5065
KD 5105
KD 5255
KD 5355
Technical Information
Technical Information
Applications
Examples of Indoor & Outdoor Applications
box
Sealcon is the Exclusive Importer of HUMMEL products. We offer over 6,000 different Types and Sizes of RoHS Compliant Liquid Tight Strain Relief Fittings, Cord Grips, Cable Glands, Circular Connectors, Conduit System, Industrial Enclosures and Other Related Cable Management Products which are rated the best in the industry.
7374 S. Eagle Street
Centennial, CO 80112-4221 USA
Toll Free: 800-456-9012 / 303-699-1135 FAX: 303-680-5344
Valid XHTML 1.0 Transitional
To Top of Page Top of Page

Copyright © Sealcon All Rights Reserved
|Domestic & International Cables|Enclosures |Liquid Tight Strain Relief Fittings & Accessories|
|Circular Connectors|Conduit System|Pneumatics|Cable Index|Enclosure Index|Search|
|Media|Site Map|Company Overview|Contact|Privacy Policy|Copyright Notice|